| สถานะห้องว่าง: | |
|---|---|
| จำนวน: | |
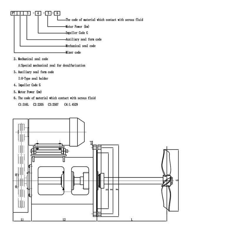
การแนะนำมิกเซอร์เข้าด้านข้าง PT-Belt-Type:
การใช้การกำจัดซัลเฟอร์ไดออกไซด์จากก๊าซไอเสีย: ส่วนใหญ่จะป้องกันไม่ให้ของแข็งก่อตัวจากถังสารละลาย และให้แน่ใจว่าสามารถขนส่งสารละลายไปยังกระบวนการถัดไปได้อย่างสม่ำเสมอเสริมสร้างการแพร่กระจายของอากาศออกซิไดซ์ ส่งเสริมการเกิดออกซิเดชันของแคลเซียมซัลไฟต์ การเจริญเติบโตของผลึกยิปซั่ม และการละลายของหินปูนการใช้อุปกรณ์นี้มีข้อดีหลายประการ เช่น การลงทุนเพียงเล็กน้อย การทำงานที่สะดวก ประสิทธิภาพสูง การใช้พลังงานต่ำ ไฟฟ้าสถิตที่เกิดขึ้นในตัวกลางต่ำ และรับประกันคุณภาพของผลิตภัณฑ์
เครื่องผสมประเภทนี้ยังสามารถใช้สำหรับอุตสาหกรรมบำบัดน้ำเสียและอุตสาหกรรมทำกระดาษ
วัสดุ
คุณควรคำนึงถึงสิ่งใดเมื่อออกแบบเครื่องกวนแบบไซด์อิน
1. กำหนดวัตถุประสงค์ของการผสมเครื่องกวนชนิดด้านใน: หากมีการผสมของเหลว-ของเหลว, สารแขวนลอยของแข็ง-ของเหลว, การกระจายตัวของก๊าซ-ของเหลว หรือของเหลว-ของเหลว ไม่ว่าจะจำเป็นเพื่อให้เกิดการถ่ายเทความร้อน การดูดซับ การสกัด การละลาย การตกผลึก ฯลฯ ประเภทของใบพัดกวนจะถูกเลือกตามลักษณะของกระบวนการ
2. คำนวณพลังของการดำเนินการผสม: การเคลื่อนไหวที่จำเป็นเมื่อดำเนินการกระบวนการผสม
การคำนวณระดับพลังงานมีความซับซ้อน และสัมพันธ์กับเส้นผ่านศูนย์กลางของถัง เส้นผ่านศูนย์กลางของสารละลาย ความกว้างของใบมีด มุม จำนวนชั้น ความหนืด จำนวนแผ่นกั้น และขนาดของแผ่นกั้น
3. เลือกกำลังมอเตอร์ของเครื่องกวนแบบเข้าข้าง: ค่าที่คำนวณได้หลังประสิทธิภาพควรมากกว่าหรือเท่ากับ 1.5 เท่าของกำลังการกวน
4. การกำหนดจำนวนขั้นต่ำของการหมุนแบบปั่นป่วนบนถนน: จำนวนรอบนี้คือจำนวนรอบขั้นต่ำของรอบเพื่อวัตถุประสงค์ในการผสมมากกว่าจำนวนรอบวิกฤติของเพลากวน
5. ตามการเลือกกำลังและตรวจสอบความแข็งและความแข็งแรงของเพลาผสมและไม้พาย
6. เมื่อใช้ตัวลดความเร็วควรพิจารณาปัจจัยการใช้ของตัวลดและความสามารถในการรับน้ำหนักของตัวลดด้วย
7. สำหรับเพลาเรียว ให้พิจารณาเพิ่มส่วนรองรับ ส่วนรองรับตรงกลางหรือด้านล่าง
8 ให้พิจารณาวิธีการติดตั้ง (รายการด้านบนหรือรายการด้านล่างหรือรายการด้านข้าง) ซึ่งจะถูกกำหนดก่อน
9 สนับสนุนการออกแบบ
10. เครื่องกวนชนิดด้านในถูกปิดผนึก (ฟิลเลอร์หรือซีลเครื่อง)
Hot Tags: เครื่องผสมเข้าด้าน fgd จีน ผู้ผลิต ผู้จำหน่าย โรงงาน ซื้อ กำหนดเอง เสนอราคา ทำในประเทศจีน
การแนะนำมิกเซอร์เข้าด้านข้าง PT-Belt-Type:
การใช้การกำจัดซัลเฟอร์ไดออกไซด์จากก๊าซไอเสีย: ส่วนใหญ่จะป้องกันไม่ให้ของแข็งก่อตัวจากถังสารละลาย และให้แน่ใจว่าสามารถขนส่งสารละลายไปยังกระบวนการถัดไปได้อย่างสม่ำเสมอเสริมสร้างการแพร่กระจายของอากาศออกซิไดซ์ ส่งเสริมการเกิดออกซิเดชันของแคลเซียมซัลไฟต์ การเจริญเติบโตของผลึกยิปซั่ม และการละลายของหินปูนการใช้อุปกรณ์นี้มีข้อดีหลายประการ เช่น การลงทุนเพียงเล็กน้อย การทำงานที่สะดวก ประสิทธิภาพสูง การใช้พลังงานต่ำ ไฟฟ้าสถิตที่เกิดขึ้นในตัวกลางต่ำ และรับประกันคุณภาพของผลิตภัณฑ์
เครื่องผสมประเภทนี้ยังสามารถใช้สำหรับอุตสาหกรรมบำบัดน้ำเสียและอุตสาหกรรมทำกระดาษ
วัสดุ
คุณควรคำนึงถึงสิ่งใดเมื่อออกแบบเครื่องกวนแบบไซด์อิน
1. กำหนดวัตถุประสงค์ของการผสมเครื่องกวนชนิดด้านใน: หากมีการผสมของเหลว-ของเหลว, สารแขวนลอยของแข็ง-ของเหลว, การกระจายตัวของก๊าซ-ของเหลว หรือของเหลว-ของเหลว ไม่ว่าจะจำเป็นเพื่อให้เกิดการถ่ายเทความร้อน การดูดซับ การสกัด การละลาย การตกผลึก ฯลฯ ประเภทของใบพัดกวนจะถูกเลือกตามลักษณะของกระบวนการ
2. คำนวณพลังของการดำเนินการผสม: การเคลื่อนไหวที่จำเป็นเมื่อดำเนินการกระบวนการผสม
การคำนวณระดับพลังงานมีความซับซ้อน และสัมพันธ์กับเส้นผ่านศูนย์กลางของถัง เส้นผ่านศูนย์กลางของสารละลาย ความกว้างของใบมีด มุม จำนวนชั้น ความหนืด จำนวนแผ่นกั้น และขนาดของแผ่นกั้น
3. เลือกกำลังมอเตอร์ของเครื่องกวนแบบเข้าข้าง: ค่าที่คำนวณได้หลังประสิทธิภาพควรมากกว่าหรือเท่ากับ 1.5 เท่าของกำลังการกวน
4. การกำหนดจำนวนขั้นต่ำของการหมุนแบบปั่นป่วนบนถนน: จำนวนรอบนี้คือจำนวนรอบขั้นต่ำของรอบเพื่อวัตถุประสงค์ในการผสมมากกว่าจำนวนรอบวิกฤติของเพลากวน
5. ตามการเลือกกำลังและตรวจสอบความแข็งและความแข็งแรงของเพลาผสมและไม้พาย
6. เมื่อใช้ตัวลดความเร็วควรพิจารณาปัจจัยการใช้ของตัวลดและความสามารถในการรับน้ำหนักของตัวลดด้วย
7. สำหรับเพลาเรียว ให้พิจารณาเพิ่มส่วนรองรับ ส่วนรองรับตรงกลางหรือด้านล่าง
8 ให้พิจารณาวิธีการติดตั้ง (รายการด้านบนหรือรายการด้านล่างหรือรายการด้านข้าง) ซึ่งจะถูกกำหนดก่อน
9 สนับสนุนการออกแบบ
10. เครื่องกวนชนิดด้านในถูกปิดผนึก (ฟิลเลอร์หรือซีลเครื่อง)
Hot Tags: เครื่องผสมเข้าด้าน fgd จีน ผู้ผลิต ผู้จำหน่าย โรงงาน ซื้อ กำหนดเอง เสนอราคา ทำในประเทศจีน