| สถานะห้องว่าง: | |
|---|---|
| จำนวน: | |
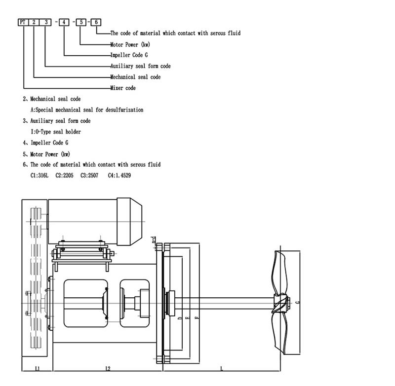
มิกเซอร์เข้าข้างสำหรับ การกำจัดซัลเฟอร์ไดออกไซด์ของก๊าซไอเสีย(เอฟจีดี)
เครื่องกวนเป็นส่วนหนึ่ง ของโรงงานกำจัดซัลเฟอร์ไดออกไซด์จากก๊าซไอเสีย (FGD) มีบทบาทสำคัญในการดำเนินงานโดยรวมของโรงงานโรงงาน FGD ได้รับการออกแบบมาเพื่อกำจัดซัลเฟอร์ไดออกไซด์ (SO2) ออกจากก๊าซไอเสียที่ปล่อยออกมาจากโรงไฟฟ้าและกระบวนการทางอุตสาหกรรม
เครื่องกวนมักประกอบด้วยมอเตอร์ ตัวลด แบริ่ง และเพลากวนและใบพัด ฯลฯ ซึ่งสามารถปรับให้เข้ากับระบบกำจัดซัลเฟอร์ไดออกไซด์และสภาวะการทำงานต่างๆ
รายละเอียดสินค้า
| ยี่ห้อมอเตอร์ | อุปกรณ์เสริม (ABS/SEW/SIEMENS/คุณภาพสูงในประเทศ) |
| ลดยี่ห้อ | อุปกรณ์เสริม (ABS/SEW/FALK/REXNORD/คุณภาพสูงในประเทศ) |
| กำลังมอเตอร์ | 0.37~110กิโลวัตต์ |
| เส้นผ่านศูนย์กลางของเพลา | 30~500มม |
| ความยาวของเพลา | 200~30000มม |
| หมุนความเร็ว | 0.2~600รอบต่อนาที |
| ใบพัด | ใบพัดแบบดั้งเดิมที่มีประสิทธิภาพ |
| วัสดุ | เหล็กกล้าคาร์บอน, โลหะผสมนิกเกิลเบส, เหล็กดูเพล็กซ์และซูเปอร์ดูเพล็กซ์, โลหะผสมไทเทเนียมและไทเทเนียม, การเคลือบยาง, PO, PE, PP, PTFE |
แอปพลิเคชัน:
เครื่องกวนใช้กันอย่างแพร่หลายในกระบวนการกำจัดซัลเฟอร์ไดออกไซด์ของก๊าซไอเสียตัวอย่างเช่น,
1. ในการกำจัดกำมะถันของก๊าซไอเสียแบบเปียก เครื่องกวนสามารถช่วยผสมเครื่องกำจัดกำมะถันและก๊าซไอเสียได้ ซึ่งจะช่วยปรับปรุงประสิทธิภาพของการกำจัดกำมะถัน
2. ในการกำจัดซัลเฟอร์ไรเซอร์ด้วยก๊าซไอเสียแบบแห้ง เครื่องกวนสามารถช่วยผสมและกระจายซัลเฟอร์ไรเซอร์ได้ ซึ่งจะช่วยเพิ่มประสิทธิภาพในการกำจัดซัลเฟอร์ไดออกไซด์
3. สามารถช่วยวิศวกรและช่างเทคนิคในการเพิ่มประสิทธิภาพและทำให้กระบวนการกำจัดกำมะถันเป็นไปโดยอัตโนมัติ ปรับปรุงประสิทธิภาพและผลผลิตของการกำจัดกำมะถัน
4. สามารถลดปริมาณของซัลเฟอร์ไรเซอร์ ลดต้นทุนของการกำจัดซัลเฟอร์ไดออกไซด์ และมีส่วนช่วยในการปกป้องสิ่งแวดล้อม
มิกเซอร์สามารถปรับแต่งได้ตามความต้องการของคุณ!
เครื่องกวน Keheng ใช้ บรรจุภัณฑ์กล่องไม้เต็ม, หลังจาก การวัด การชั่งน้ำหนัก ขั้นตอนการเสริมแรง ในโรงงาน ผ่านการรับรองในคลังสินค้าท่าเรือเฉพาะสำหรับการตรวจสอบ การตรวจสอบทีละชั้น
วิธีการจัดส่งของ Keheng ในต่างประเทศมักจะเป็น CIF, CFR หรือ FOB ซึ่งช่วยให้มั่นใจในการจัดส่งสินค้าภายในหนึ่งเดือนถึงหนึ่งเดือนครึ่งหลังจากได้รับการชำระเงินล่วงหน้าจากลูกค้า
บริการภาคสนาม
KEHENG มีประสบการณ์เกือบ 30 ปีบริษัทของเราสามารถให้บริการวินิจฉัยและซ่อมแซมภาคสนามได้ทีมงานด้านเทคนิคจะจัดเตรียมทางเลือกในการบำรุงรักษานอกสถานที่ที่หลากหลายเพื่อช่วยในการดำเนินการผสมของคุณ
การติดตั้ง: ตามข้อกำหนดของลูกค้า
ให้คำปรึกษาและซ่อมแซมนอกสถานที่: KEHENG ให้บริการวินิจฉัยการซ่อมแซมนอกสถานที่หากไม่สามารถแก้ไขปัญหา ณ ที่เกิดเหตุได้ สามารถส่งอุปกรณ์กลับไปยังแผนกตรวจสอบและซ่อมแซมของเราได้
การบำรุงรักษาเชิงป้องกัน: เครื่องจักรทุกเครื่องจะต้องผ่านการตรวจสอบอย่างเข้มงวดก่อนที่จะออกไปKEHENG จะจัดให้มีการทดสอบวินิจฉัยและเกณฑ์มาตรฐานเพื่อให้มั่นใจถึงประสิทธิภาพสูงสุดของโซลูชันการผสมและอุปกรณ์
บริการอื่นๆ: เคHENG สามารถจัดหาโซลูชันและอุปกรณ์การผสมใหม่สำหรับโครงการฟื้นฟูของคุณ
บริการซ่อม
KEHENG นำเสนอการวิเคราะห์และตัวเลือกที่ครอบคลุมที่สุดในการซ่อมมิกเซอร์ไดรฟ์ระดับเริ่มต้น โปรแกรมตรวจสอบและซ่อมแซมมอบ:
1. เพิ่มความน่าเชื่อถือและความน่าเชื่อถือ
2. การซ่อมแซมคุณภาพสูงตามข้อกำหนดที่เข้มงวด
3. ยืดอายุอุปกรณ์ของคุณ
ทุกส่วนของมิกเซอร์ไดรฟ์ได้รับการทำความสะอาดอย่างละเอียดและตรวจสอบเพื่อระบุสาเหตุที่แท้จริงของความล้มเหลวมีการรายงานโดยละเอียดพร้อมกับตัวเลือกการซ่อมตามลำดับชั้นลูกค้าเลือกการซ่อมแซมที่เหมาะสมกับความต้องการในการปฏิบัติงานการรับประกันจะขึ้นอยู่กับตัวเลือกการซ่อมที่เลือก
ปัญหาทั่วไปที่สามารถแก้ไขได้ ได้แก่:
1. ความเหนื่อยล้าทางกล
2. สภาพอารมณ์เสีย
3. โหลดแรงกระแทก
4. การเปลี่ยนแปลงกระบวนการ
5. ความสมดุลของใบพัด
บริการลูกค้า
1. ลูกค้า KEHENG ทุกคนจะได้รับการสนับสนุนและข้อเสนอแนะทั้งก่อนและหลังการขาย
2. บริการของ KEHENG มีวัตถุประสงค์เพื่อช่วยให้ลูกค้าเลือกผลิตภัณฑ์ที่เหมาะสมที่สุด
3. KEHENG ช่วยให้ลูกค้าใช้ผลิตภัณฑ์ได้อย่างถูกต้อง: วางแผน、การติดตั้ง、การฝึกอบรม、การกำจัดปัญหา、การบำรุงรักษาและการซ่อมแซม、การปรับปรุงและการปรับให้เหมาะสม
4. ข้อเสนอของ KEHENG: การจัดหาชิ้นส่วนอะไหล่ การพัฒนาทางเทคนิคและเทคโนโลยีล่าสุดที่มีอยู่ การเพิ่มประสิทธิภาพสต็อกของลูกค้า และคำแนะนำเกี่ยวกับชิ้นส่วนอะไหล่
การสนับสนุนทางเทคนิค
KEHENG มีเจ้าหน้าที่วิศวกรด้านการประยุกต์ใช้งานเต็มรูปแบบซึ่งมีประสบการณ์มากมายและมีความรู้กว้างขวางทีมงานด้านเทคนิคของเราประกอบด้วยวิศวกรสนับสนุนด้านเทคนิค วิศวกรออกแบบและพัฒนาผลิตภัณฑ์พวกเขามีความรู้และทักษะพิเศษในการให้บริการและคำแนะนำที่ตอบสนองและเชื่อถือได้พวกเขาจะร่วมมือกับวิศวกรฝ่ายขายเพื่อสื่อสารให้สมบูรณ์วิศวกรด้านการใช้งานสามารถระบุประเภทของไดรฟ์ อัตราส่วนของไดรฟ์ ข้อกำหนดในการติดตั้งมอเตอร์ ข้อกำหนดในการติดตั้งไดรฟ์ รายการพิเศษ เช่น ซีลเชิงกลและมอเตอร์ เพลากวน ดุมใบพัด และรายละเอียดใบพัด
หากคุณต้องการ KEHENG สามารถสนับสนุนการฝึกอบรมและคำแนะนำต่อไปนี้เพื่อให้พนักงานของคุณมีคุณสมบัติและคุ้นเคยกับคุณสมบัติเฉพาะของอุปกรณ์ KEHENG ที่เฉพาะเจาะจง
1. การฝึกอบรมการปฏิบัติงาน
2. การฝึกอบรมการบำรุงรักษา
3. การฝึกอบรมกระบวนการ
JiangSu KeHeng Petrochemical & Electrical Machinery Co., Ltd ก่อตั้งขึ้นในปี 1989 เป็นองค์กรเทคโนโลยีขั้นสูงที่เชี่ยวชาญด้าน R&D การออกแบบ การผลิต และการติดตั้งระดับมืออาชีพมีส่วนร่วมใน เตาทำความร้อนปิโตรเคมี, ระบบนำความร้อนเหลือทิ้งกลับมาใช้ใหม่, อุปกรณ์กำจัดกำมะถันของโรงไฟฟ้า, ระบบบำบัดน้ำเสีย, เครื่องผสม เป็นต้น สินค้าจำหน่ายทั่วประเทศจีนและส่งออกไปยังเอเชียตะวันออกเฉียงใต้ ยุโรป แอฟริกา ตะวันออกกลาง ญี่ปุ่น อินเดีย คาซัคสถาน ตุรกี และประเทศอื่นๆ อีกมากมาย
เคเฮงก็มี ศูนย์ R&D อิสระและ สมบูรณ์แบบ การทดสอบผลิตภัณฑ์ กำลังตรวจสอบ อุปกรณ์. ด้วยนวัตกรรมอย่างต่อเนื่องหลายปี ได้รับรางวัลมากกว่า 30 คุณประโยชน์ แบบอย่าง สิทธิบัตรและ 5 สิทธิบัตรการประดิษฐ์โดยสำนักงานทรัพย์สินทางปัญญาของรัฐ. ถึงตอนนี้ KeHeng มี กลายเป็นผู้จำหน่ายที่มีคุณสมบัติเหมาะสมใน Supply Link ขององค์กรและกลุ่มอุตสาหกรรมขนาดใหญ่หลายแห่ง เช่น ปิโตรไชน่า,ซิโนเปค,CNOOC ฯลฯ
ครองตลาดด้วยคุณภาพผลิตภัณฑ์ ดึงดูดลูกค้าด้วยชื่อเสียงขององค์กร
ความซื่อสัตย์- รากฐานของเราในการตั้งหลัก;การพัฒนา - การแสวงหา KeHeng ชั่วนิรันดร์
คุณภาพของผลิตภัณฑ์
เครื่องผสมทั้งหมดของเราผลิตขึ้นในโรงงานที่สร้างขึ้นโดยเฉพาะตามมาตรฐานคุณภาพ ISO9001 และใช้เฉพาะส่วนประกอบคุณภาพสูงในการก่อสร้างเท่านั้น
การออกแบบที่กำหนดเอง
ทีมงานเทคนิคมืออาชีพของเราจะออกแบบเครื่องผสมที่เหมาะสมที่สุดตามความต้องการของคุณ ซึ่งสามารถให้มูลค่าสูงสุดในการใช้งานได้
Pโครงการ Mการจัดการ
เรามอบหมายผู้จัดการโครงการโดยเฉพาะเพื่อให้แน่ใจว่าการผลิต การประกอบ และการควบคุมคุณภาพทุกด้านมีความก้าวหน้าเพื่อให้ตรงตามข้อกำหนดเฉพาะของลูกค้าแต่ละราย
บริการลูกค้า
ลูกค้า KEHENG ทุกคนจะได้รับการสนับสนุนและข้อเสนอแนะทั้งก่อนและหลังการขายเราช่วยให้ลูกค้าใช้ผลิตภัณฑ์อย่างถูกต้อง: PLAN、การติดตั้ง、การฝึกอบรม、การกำจัดปัญหา、การบำรุงรักษาและการซ่อมแซม、การปรับปรุงและการปรับให้เหมาะสม
ถาม: คุณเป็น บริษัท การค้าหรือผู้ผลิตหรือไม่?
ตอบ: เราเป็นผู้ผลิตโรงงานของเราอยู่ในมณฑลเจียงซู ถาม: จะปรับแต่งเครื่องกวนและมิกเซอร์ได้อย่างไร ตอบ: คุณสามารถส่งพารามิเตอร์การสมัครมาให้เราหรือกรอกแบบฟอร์มที่เราให้ไว้ จากนั้นเราจะเลือกหรือออกแบบผลิตภัณฑ์ที่เหมาะกับคุณและธุรกิจของคุณมากที่สุด ถาม: ระยะเวลาในการผลิตคือเท่าไร? ตอบ: ปกติ 30 วันหากคุณมียี่ห้อมอเตอร์ให้เลือก ระยะเวลารอคอยสินค้าอาจแตกต่างกันไป ถาม: เกี่ยวกับการรับประกันสินค้า? ตอบ: โดยปกติแล้ว เราให้การรับประกัน 1 ปีสำหรับผลิตภัณฑ์ที่ขายไปแล้ว แต่เรายังสามารถให้บริการตลอดชีวิตได้เมื่อคุณต้องการเพื่อรักษาความสัมพันธ์ระยะยาวกับคุณ
มิกเซอร์เข้าข้างสำหรับ การกำจัดซัลเฟอร์ไดออกไซด์ของก๊าซไอเสีย(เอฟจีดี)
เครื่องกวนเป็นส่วนหนึ่ง ของโรงงานกำจัดซัลเฟอร์ไดออกไซด์จากก๊าซไอเสีย (FGD) มีบทบาทสำคัญในการดำเนินงานโดยรวมของโรงงานโรงงาน FGD ได้รับการออกแบบมาเพื่อกำจัดซัลเฟอร์ไดออกไซด์ (SO2) ออกจากก๊าซไอเสียที่ปล่อยออกมาจากโรงไฟฟ้าและกระบวนการทางอุตสาหกรรม
เครื่องกวนมักประกอบด้วยมอเตอร์ ตัวลด แบริ่ง และเพลากวนและใบพัด ฯลฯ ซึ่งสามารถปรับให้เข้ากับระบบกำจัดซัลเฟอร์ไดออกไซด์และสภาวะการทำงานต่างๆ
รายละเอียดสินค้า
| ยี่ห้อมอเตอร์ | อุปกรณ์เสริม (ABS/SEW/SIEMENS/คุณภาพสูงในประเทศ) |
| ลดยี่ห้อ | อุปกรณ์เสริม (ABS/SEW/FALK/REXNORD/คุณภาพสูงในประเทศ) |
| กำลังมอเตอร์ | 0.37~110กิโลวัตต์ |
| เส้นผ่านศูนย์กลางของเพลา | 30~500มม |
| ความยาวของเพลา | 200~30000มม |
| หมุนความเร็ว | 0.2~600รอบต่อนาที |
| ใบพัด | ใบพัดแบบดั้งเดิมที่มีประสิทธิภาพ |
| วัสดุ | เหล็กกล้าคาร์บอน, โลหะผสมนิกเกิลเบส, เหล็กดูเพล็กซ์และซูเปอร์ดูเพล็กซ์, โลหะผสมไทเทเนียมและไทเทเนียม, การเคลือบยาง, PO, PE, PP, PTFE |
แอปพลิเคชัน:
เครื่องกวนใช้กันอย่างแพร่หลายในกระบวนการกำจัดซัลเฟอร์ไดออกไซด์ของก๊าซไอเสียตัวอย่างเช่น,
1. ในการกำจัดกำมะถันของก๊าซไอเสียแบบเปียก เครื่องกวนสามารถช่วยผสมเครื่องกำจัดกำมะถันและก๊าซไอเสียได้ ซึ่งจะช่วยปรับปรุงประสิทธิภาพของการกำจัดกำมะถัน
2. ในการกำจัดซัลเฟอร์ไรเซอร์ด้วยก๊าซไอเสียแบบแห้ง เครื่องกวนสามารถช่วยผสมและกระจายซัลเฟอร์ไรเซอร์ได้ ซึ่งจะช่วยเพิ่มประสิทธิภาพในการกำจัดซัลเฟอร์ไดออกไซด์
3. สามารถช่วยวิศวกรและช่างเทคนิคในการเพิ่มประสิทธิภาพและทำให้กระบวนการกำจัดกำมะถันเป็นไปโดยอัตโนมัติ ปรับปรุงประสิทธิภาพและผลผลิตของการกำจัดกำมะถัน
4. สามารถลดปริมาณของซัลเฟอร์ไรเซอร์ ลดต้นทุนของการกำจัดซัลเฟอร์ไดออกไซด์ และมีส่วนช่วยในการปกป้องสิ่งแวดล้อม
มิกเซอร์สามารถปรับแต่งได้ตามความต้องการของคุณ!
เครื่องกวน Keheng ใช้ บรรจุภัณฑ์กล่องไม้เต็ม, หลังจาก การวัด การชั่งน้ำหนัก ขั้นตอนการเสริมแรง ในโรงงาน ผ่านการรับรองในคลังสินค้าท่าเรือเฉพาะสำหรับการตรวจสอบ การตรวจสอบทีละชั้น
วิธีการจัดส่งของ Keheng ในต่างประเทศมักจะเป็น CIF, CFR หรือ FOB ซึ่งช่วยให้มั่นใจในการจัดส่งสินค้าภายในหนึ่งเดือนถึงหนึ่งเดือนครึ่งหลังจากได้รับการชำระเงินล่วงหน้าจากลูกค้า
บริการภาคสนาม
KEHENG มีประสบการณ์เกือบ 30 ปีบริษัทของเราสามารถให้บริการวินิจฉัยและซ่อมแซมภาคสนามได้ทีมงานด้านเทคนิคจะจัดเตรียมทางเลือกในการบำรุงรักษานอกสถานที่ที่หลากหลายเพื่อช่วยในการดำเนินการผสมของคุณ
การติดตั้ง: ตามข้อกำหนดของลูกค้า
ให้คำปรึกษาและซ่อมแซมนอกสถานที่: KEHENG ให้บริการวินิจฉัยการซ่อมแซมนอกสถานที่หากไม่สามารถแก้ไขปัญหา ณ ที่เกิดเหตุได้ สามารถส่งอุปกรณ์กลับไปยังแผนกตรวจสอบและซ่อมแซมของเราได้
การบำรุงรักษาเชิงป้องกัน: เครื่องจักรทุกเครื่องจะต้องผ่านการตรวจสอบอย่างเข้มงวดก่อนที่จะออกไปKEHENG จะจัดให้มีการทดสอบวินิจฉัยและเกณฑ์มาตรฐานเพื่อให้มั่นใจถึงประสิทธิภาพสูงสุดของโซลูชันการผสมและอุปกรณ์
บริการอื่นๆ: เคHENG สามารถจัดหาโซลูชันและอุปกรณ์การผสมใหม่สำหรับโครงการฟื้นฟูของคุณ
บริการซ่อม
KEHENG นำเสนอการวิเคราะห์และตัวเลือกที่ครอบคลุมที่สุดในการซ่อมมิกเซอร์ไดรฟ์ระดับเริ่มต้น โปรแกรมตรวจสอบและซ่อมแซมมอบ:
1. เพิ่มความน่าเชื่อถือและความน่าเชื่อถือ
2. การซ่อมแซมคุณภาพสูงตามข้อกำหนดที่เข้มงวด
3. ยืดอายุอุปกรณ์ของคุณ
ทุกส่วนของมิกเซอร์ไดรฟ์ได้รับการทำความสะอาดอย่างละเอียดและตรวจสอบเพื่อระบุสาเหตุที่แท้จริงของความล้มเหลวมีการรายงานโดยละเอียดพร้อมกับตัวเลือกการซ่อมตามลำดับชั้นลูกค้าเลือกการซ่อมแซมที่เหมาะสมกับความต้องการในการปฏิบัติงานการรับประกันจะขึ้นอยู่กับตัวเลือกการซ่อมที่เลือก
ปัญหาทั่วไปที่สามารถแก้ไขได้ ได้แก่:
1. ความเหนื่อยล้าทางกล
2. สภาพอารมณ์เสีย
3. โหลดแรงกระแทก
4. การเปลี่ยนแปลงกระบวนการ
5. ความสมดุลของใบพัด
บริการลูกค้า
1. ลูกค้า KEHENG ทุกคนจะได้รับการสนับสนุนและข้อเสนอแนะทั้งก่อนและหลังการขาย
2. บริการของ KEHENG มีวัตถุประสงค์เพื่อช่วยให้ลูกค้าเลือกผลิตภัณฑ์ที่เหมาะสมที่สุด
3. KEHENG ช่วยให้ลูกค้าใช้ผลิตภัณฑ์ได้อย่างถูกต้อง: วางแผน、การติดตั้ง、การฝึกอบรม、การกำจัดปัญหา、การบำรุงรักษาและการซ่อมแซม、การปรับปรุงและการปรับให้เหมาะสม
4. ข้อเสนอของ KEHENG: การจัดหาชิ้นส่วนอะไหล่ การพัฒนาทางเทคนิคและเทคโนโลยีล่าสุดที่มีอยู่ การเพิ่มประสิทธิภาพสต็อกของลูกค้า และคำแนะนำเกี่ยวกับชิ้นส่วนอะไหล่
การสนับสนุนทางเทคนิค
KEHENG มีเจ้าหน้าที่วิศวกรด้านการประยุกต์ใช้งานเต็มรูปแบบซึ่งมีประสบการณ์มากมายและมีความรู้กว้างขวางทีมงานด้านเทคนิคของเราประกอบด้วยวิศวกรสนับสนุนด้านเทคนิค วิศวกรออกแบบและพัฒนาผลิตภัณฑ์พวกเขามีความรู้และทักษะพิเศษในการให้บริการและคำแนะนำที่ตอบสนองและเชื่อถือได้พวกเขาจะร่วมมือกับวิศวกรฝ่ายขายเพื่อสื่อสารให้สมบูรณ์วิศวกรด้านการใช้งานสามารถระบุประเภทของไดรฟ์ อัตราส่วนของไดรฟ์ ข้อกำหนดในการติดตั้งมอเตอร์ ข้อกำหนดในการติดตั้งไดรฟ์ รายการพิเศษ เช่น ซีลเชิงกลและมอเตอร์ เพลากวน ดุมใบพัด และรายละเอียดใบพัด
หากคุณต้องการ KEHENG สามารถสนับสนุนการฝึกอบรมและคำแนะนำต่อไปนี้เพื่อให้พนักงานของคุณมีคุณสมบัติและคุ้นเคยกับคุณสมบัติเฉพาะของอุปกรณ์ KEHENG ที่เฉพาะเจาะจง
1. การฝึกอบรมการปฏิบัติงาน
2. การฝึกอบรมการบำรุงรักษา
3. การฝึกอบรมกระบวนการ
JiangSu KeHeng Petrochemical & Electrical Machinery Co., Ltd ก่อตั้งขึ้นในปี 1989 เป็นองค์กรเทคโนโลยีขั้นสูงที่เชี่ยวชาญด้าน R&D การออกแบบ การผลิต และการติดตั้งระดับมืออาชีพมีส่วนร่วมใน เตาทำความร้อนปิโตรเคมี, ระบบนำความร้อนเหลือทิ้งกลับมาใช้ใหม่, อุปกรณ์กำจัดกำมะถันของโรงไฟฟ้า, ระบบบำบัดน้ำเสีย, เครื่องผสม เป็นต้น สินค้าจำหน่ายทั่วประเทศจีนและส่งออกไปยังเอเชียตะวันออกเฉียงใต้ ยุโรป แอฟริกา ตะวันออกกลาง ญี่ปุ่น อินเดีย คาซัคสถาน ตุรกี และประเทศอื่นๆ อีกมากมาย
เคเฮงก็มี ศูนย์ R&D อิสระและ สมบูรณ์แบบ การทดสอบผลิตภัณฑ์ กำลังตรวจสอบ อุปกรณ์. ด้วยนวัตกรรมอย่างต่อเนื่องหลายปี ได้รับรางวัลมากกว่า 30 คุณประโยชน์ แบบอย่าง สิทธิบัตรและ 5 สิทธิบัตรการประดิษฐ์โดยสำนักงานทรัพย์สินทางปัญญาของรัฐ. ถึงตอนนี้ KeHeng มี กลายเป็นผู้จำหน่ายที่มีคุณสมบัติเหมาะสมใน Supply Link ขององค์กรและกลุ่มอุตสาหกรรมขนาดใหญ่หลายแห่ง เช่น ปิโตรไชน่า,ซิโนเปค,CNOOC ฯลฯ
ครองตลาดด้วยคุณภาพผลิตภัณฑ์ ดึงดูดลูกค้าด้วยชื่อเสียงขององค์กร
ความซื่อสัตย์- รากฐานของเราในการตั้งหลัก;การพัฒนา - การแสวงหา KeHeng ชั่วนิรันดร์
คุณภาพของผลิตภัณฑ์
เครื่องผสมทั้งหมดของเราผลิตขึ้นในโรงงานที่สร้างขึ้นโดยเฉพาะตามมาตรฐานคุณภาพ ISO9001 และใช้เฉพาะส่วนประกอบคุณภาพสูงในการก่อสร้างเท่านั้น
การออกแบบที่กำหนดเอง
ทีมงานเทคนิคมืออาชีพของเราจะออกแบบเครื่องผสมที่เหมาะสมที่สุดตามความต้องการของคุณ ซึ่งสามารถให้มูลค่าสูงสุดในการใช้งานได้
Pโครงการ Mการจัดการ
เรามอบหมายผู้จัดการโครงการโดยเฉพาะเพื่อให้แน่ใจว่าการผลิต การประกอบ และการควบคุมคุณภาพทุกด้านมีความก้าวหน้าเพื่อให้ตรงตามข้อกำหนดเฉพาะของลูกค้าแต่ละราย
บริการลูกค้า
ลูกค้า KEHENG ทุกคนจะได้รับการสนับสนุนและข้อเสนอแนะทั้งก่อนและหลังการขายเราช่วยให้ลูกค้าใช้ผลิตภัณฑ์อย่างถูกต้อง: PLAN、การติดตั้ง、การฝึกอบรม、การกำจัดปัญหา、การบำรุงรักษาและการซ่อมแซม、การปรับปรุงและการปรับให้เหมาะสม
ถาม: คุณเป็น บริษัท การค้าหรือผู้ผลิตหรือไม่?
ตอบ: เราเป็นผู้ผลิตโรงงานของเราอยู่ในมณฑลเจียงซู ถาม: จะปรับแต่งเครื่องกวนและมิกเซอร์ได้อย่างไร ตอบ: คุณสามารถส่งพารามิเตอร์การสมัครมาให้เราหรือกรอกแบบฟอร์มที่เราให้ไว้ จากนั้นเราจะเลือกหรือออกแบบผลิตภัณฑ์ที่เหมาะกับคุณและธุรกิจของคุณมากที่สุด ถาม: ระยะเวลาในการผลิตคือเท่าไร? ตอบ: ปกติ 30 วันหากคุณมียี่ห้อมอเตอร์ให้เลือก ระยะเวลารอคอยสินค้าอาจแตกต่างกันไป ถาม: เกี่ยวกับการรับประกันสินค้า? ตอบ: โดยปกติแล้ว เราให้การรับประกัน 1 ปีสำหรับผลิตภัณฑ์ที่ขายไปแล้ว แต่เรายังสามารถให้บริการตลอดชีวิตได้เมื่อคุณต้องการเพื่อรักษาความสัมพันธ์ระยะยาวกับคุณ