| สถานะห้องว่าง: | |
|---|---|
| จำนวน: | |
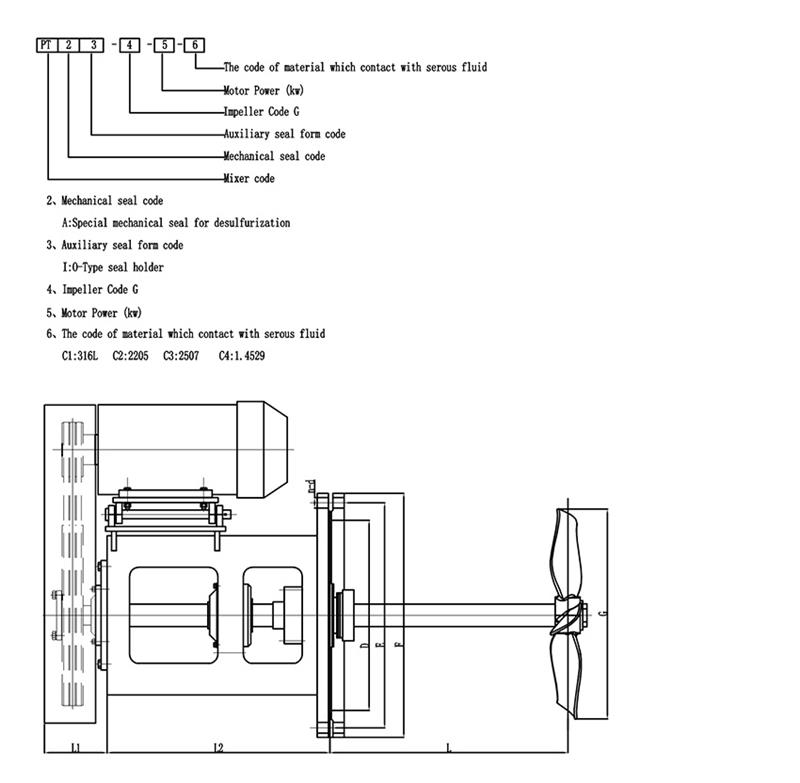
การแนะนำมิกเซอร์เข้าด้านข้าง PT-Belt-Type:
การใช้การกำจัดซัลเฟอร์ไดออกไซด์จากก๊าซไอเสีย: ส่วนใหญ่จะป้องกันไม่ให้ของแข็งก่อตัวจากถังสารละลาย และให้แน่ใจว่าสามารถขนส่งสารละลายไปยังกระบวนการถัดไปได้อย่างสม่ำเสมอเสริมสร้างการแพร่กระจายของอากาศออกซิไดซ์ ส่งเสริมการเกิดออกซิเดชันของแคลเซียมซัลไฟต์ การเจริญเติบโตของผลึกยิปซั่ม และการละลายของหินปูนการใช้อุปกรณ์นี้มีข้อดีหลายประการ เช่น การลงทุนเพียงเล็กน้อย การทำงานที่สะดวก ประสิทธิภาพสูง การใช้พลังงานต่ำ ไฟฟ้าสถิตที่เกิดขึ้นในตัวกลางต่ำ และรับประกันคุณภาพของผลิตภัณฑ์
เครื่องผสมประเภทนี้ยังสามารถใช้สำหรับอุตสาหกรรมบำบัดน้ำเสียและอุตสาหกรรมทำกระดาษ
วัสดุ
เครื่องผสมเข้าด้านกำจัดซัลเฟอร์ไรเซชันได้รับการออกแบบมาสำหรับโปรแกรมอย่างไร
เครื่องกวนเข้าด้าน Desulfurization แตกต่างจากอุปกรณ์ผสมอื่นๆเมื่อเปรียบเทียบกับอุปกรณ์ผสมอื่นๆ เครื่องผสมเข้าฝั่ง FGD มีขั้นตอนการออกแบบที่เป็นเอกลักษณ์ของตัวเองด้านล่างนี้เรามาดูพร้อมๆ กันเลยครับ
1. เมื่อออกแบบเครื่องกวนทางเข้าด้านกำจัดซัลเฟอร์ไรเซชัน เราสามารถเลือกความต้องการแรงบิดหรือกำลังของความเร็วที่แตกต่างกันหลายค่าตามค่า D/DT ที่มีอยู่ของอุปกรณ์ของผู้ใช้ และข้อกำหนดของลูกค้าสำหรับเวลาในการผสมและระดับการกวนระดับของการกวนจะถูกจำกัดด้วยความแตกต่างของความหนืดของวัสดุ ความแตกต่างของความถ่วงจำเพาะ และไม่ว่าจะเป็นของไหลของนิวตันหรือไม่
2. เลือกความสูงในการติดตั้งใบพัดที่เหมาะสมและรวมอุปกรณ์เพื่อประมาณความยาวเพลาตัวกวนโดยประมาณ
3. ประมาณการกำลังมอเตอร์ที่เหมาะสม
4 อ้างถึงประสิทธิภาพที่มีอยู่ เช่นการใช้พลังงานของใบพัด ตัวลด เพลาส่งออก วงเล็บ ฯลฯ เลือกเครื่องกวนที่สามารถตอบสนองความต้องการสามประการแรก
5. ตามเงื่อนไขต่างๆ เช่น ความเร็วปลายของปลายใบมีด ให้กำหนดความเร็วในการหมุนที่เหมาะสมที่สุด เพิ่มประสิทธิภาพการออกแบบ และตรวจสอบและวิเคราะห์ไดนามิกและความแข็งแกร่งของระบบเพลาตามเงื่อนไขที่กำหนด
Hot Tags: เครื่องกวนด้านข้างสำหรับการกำจัดซัลเฟอร์ไรเซชัน, จีน, ผู้ผลิต, ซัพพลายเออร์, โรงงาน, ซื้อ, ปรับแต่ง, เสนอราคา, ผลิตในประเทศจีน
การแนะนำมิกเซอร์เข้าด้านข้าง PT-Belt-Type:
การใช้การกำจัดซัลเฟอร์ไดออกไซด์จากก๊าซไอเสีย: ส่วนใหญ่จะป้องกันไม่ให้ของแข็งก่อตัวจากถังสารละลาย และให้แน่ใจว่าสามารถขนส่งสารละลายไปยังกระบวนการถัดไปได้อย่างสม่ำเสมอเสริมสร้างการแพร่กระจายของอากาศออกซิไดซ์ ส่งเสริมการเกิดออกซิเดชันของแคลเซียมซัลไฟต์ การเจริญเติบโตของผลึกยิปซั่ม และการละลายของหินปูนการใช้อุปกรณ์นี้มีข้อดีหลายประการ เช่น การลงทุนเพียงเล็กน้อย การทำงานที่สะดวก ประสิทธิภาพสูง การใช้พลังงานต่ำ ไฟฟ้าสถิตที่เกิดขึ้นในตัวกลางต่ำ และรับประกันคุณภาพของผลิตภัณฑ์
เครื่องผสมประเภทนี้ยังสามารถใช้สำหรับอุตสาหกรรมบำบัดน้ำเสียและอุตสาหกรรมทำกระดาษ
วัสดุ
เครื่องผสมเข้าด้านกำจัดซัลเฟอร์ไรเซชันได้รับการออกแบบมาสำหรับโปรแกรมอย่างไร
เครื่องกวนเข้าด้าน Desulfurization แตกต่างจากอุปกรณ์ผสมอื่นๆเมื่อเปรียบเทียบกับอุปกรณ์ผสมอื่นๆ เครื่องผสมเข้าฝั่ง FGD มีขั้นตอนการออกแบบที่เป็นเอกลักษณ์ของตัวเองด้านล่างนี้เรามาดูพร้อมๆ กันเลยครับ
1. เมื่อออกแบบเครื่องกวนทางเข้าด้านกำจัดซัลเฟอร์ไรเซชัน เราสามารถเลือกความต้องการแรงบิดหรือกำลังของความเร็วที่แตกต่างกันหลายค่าตามค่า D/DT ที่มีอยู่ของอุปกรณ์ของผู้ใช้ และข้อกำหนดของลูกค้าสำหรับเวลาในการผสมและระดับการกวนระดับของการกวนจะถูกจำกัดด้วยความแตกต่างของความหนืดของวัสดุ ความแตกต่างของความถ่วงจำเพาะ และไม่ว่าจะเป็นของไหลของนิวตันหรือไม่
2. เลือกความสูงในการติดตั้งใบพัดที่เหมาะสมและรวมอุปกรณ์เพื่อประมาณความยาวเพลาตัวกวนโดยประมาณ
3. ประมาณการกำลังมอเตอร์ที่เหมาะสม
4 อ้างถึงประสิทธิภาพที่มีอยู่ เช่นการใช้พลังงานของใบพัด ตัวลด เพลาส่งออก วงเล็บ ฯลฯ เลือกเครื่องกวนที่สามารถตอบสนองความต้องการสามประการแรก
5. ตามเงื่อนไขต่างๆ เช่น ความเร็วปลายของปลายใบมีด ให้กำหนดความเร็วในการหมุนที่เหมาะสมที่สุด เพิ่มประสิทธิภาพการออกแบบ และตรวจสอบและวิเคราะห์ไดนามิกและความแข็งแกร่งของระบบเพลาตามเงื่อนไขที่กำหนด
Hot Tags: เครื่องกวนด้านข้างสำหรับการกำจัดซัลเฟอร์ไรเซชัน, จีน, ผู้ผลิต, ซัพพลายเออร์, โรงงาน, ซื้อ, ปรับแต่ง, เสนอราคา, ผลิตในประเทศจีน